Projetos Elétricos

Um projeto elétrico em engenharia é um conjunto de documentos técnicos que definem todas as características de uma instalação elétrica. O objetivo principal é garantir o fornecimento seguro e eficiente de energia elétrica para uma determinada edificação ou processo industrial. Um projeto elétrico abrange as seguintes etapas e elementos.

  1. Estudo Preliminar:

  -  Análise das necessidades do cliente e da edificação (tipos de cargas, demanda de energia, etc.).

 -  Definição do tipo de instalação (baixa ou média tensão).

 -  Elaboração de um layout inicial com a distribuição dos pontos de energia.

  1. Projeto Executivo:
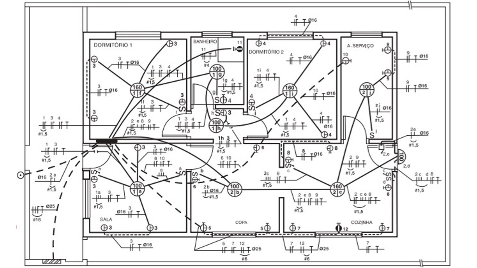
     -  Diagramas Unifilares: Representação esquemática de todos os circuitos elétricos, mostrando os componentes. 
     -  Memorial Descritivo: Documento textual que detalha todas as escolhas de materiais e equipamentos, os critérios de dimensionamento, as normas utilizadas e as instruções para a execução e segurança da instalação.
     -  Dimensionamento de Condutores e Dispositivos de Proteção: Cálculos que asseguram a escolha correta da seção dos fios e dos dispositivos de proteção (disjuntores, fusíveis, DRs, DPSs) para evitar sobrecargas, curtos-circuitos e choques elétricos.
  2. Aprovações: 
     -  Submissão do projeto à prefeitura ou outros órgãos competentes para obtenção de licenças e alvarás.
  3. Execução e Fiscalização: 
     -  
    Acompanhamento da execução da instalação elétrica conforme o projeto aprovado. 
     -  
    Verificação da qualidade dos materiais e da correta instalação dos componentes.
    ​​​​​​​ -  
    Realização de testes e ensaios para garantir o funcionamento seguro e adequado da instalação.
Imagem do WhatsApp de 2025-10-06 à(s) 13.17.48_165e6002.jpg

Projetos de Bombeiros

Um projeto de bombeiros, também conhecido como projeto de prevenção e combate a incêndio, é um conjunto de documentos técnicos que definem as medidas de segurança contra incêndio para uma edificação, visando proteger a vida das pessoas, o patrimônio e o meio ambiente. Um projeto de bombeiros engloba os seguintes aspectos:

  1. Análise de Risco de Incêndio:
     -  
     Identificação das características da edificação.
     -  Avaliação dos riscos de incêndio existentes.
     -  Definição das medidas de segurança adequadas com base nas normas técnicas (Corpo de Bombeiros local, ABNT).
     
  2. Medidas de Seguranças Passivas e Ativas.
     -  
    Sistemas de Detecção e Alarme de Incêndio.
     -  
    Extintores, Sprinklers, Hidrantes, Mangotinhos.
     -  
    Saidas de emergência.
     -  
    Sistema de ventilação natural ou mecânico para a redução de fumaça em caso de incêndio.
  3. Documentação do Projeto:

 -  Plantas de Prevenção e Combate a Incêndio: Desenhos da edificação com a localização de todos os equipamentos de segurança contra incêndio, rotas de fuga, compartimentação e outros detalhes relevantes.

 -  Memorial de Cálculo: Cálculos hidráulicos da rede de hidrantes e sprinklers, dimensionamento de bombas, reserva de água e outros sistemas.

 -  Memorial Descritivo: Detalhamento técnico de todos os sistemas e equipamentos de segurança contra incêndio, normas utilizadas e procedimentos de instalação e manutenção.

 -  ART (Anotação de Responsabilidade Técnica): Documento emitido por um engenheiro habilitado que se responsabiliza tecnicamente pelo projeto.

  1. Aprovação no Corpo de Bombeiros:
     -  
    Submissão do projeto completo ao Corpo de Bombeiros para análise e aprovação.
     -  
    Obtenção do Auto de Vistoria do Corpo de Bombeiros (AVCB) após a execução e inspeção da instalação.
  2. Execução e Manutenção:
     -  
    Execução das medidas de segurança contra incêndio conforme o projeto aprovado.
     -  
    Realização de inspeções e manutenções periódicas nos equipamentos e sistemas para garantir seu pleno funcionamento.
    -  
    Treinamento da brigada de incêndio para atuação em situações de emergência.
Imagem do WhatsApp de 2025-10-06 à(s) 13.18.47_b2af9be1.jpg